浮球閥減壓閥緩閉止回閥泄壓閥氣動球閥電動球閥不銹鋼球閥氣動蝶閥電動蝶閥法蘭蝶閥對夾式蝶閥襯氟蝶閥不銹鋼閘閥倒流防止器電動調節閥氣動調節閥自力式調節閥截止閥止回閥過濾器排氣閥排泥閥
不銹鋼閘閥_球閥_蝶閥_止回閥_調節閥_截止閥-可拉伐閥門(上海)有限公司 AC220V電動蝶閥接線圖說明書  DC24V電動蝶閥控制原理圖

AC220V電動蝶閥接線圖說明書 DC24V電動蝶閥控制原理圖

時間:2021-11-27   訪問量:1063   作者:可拉伐閥門

電動蝶閥有普通型和智能型。普通型,當接通其電機,閥門便開或合,視電機正反轉而定;智能型如AC380V的,給其供AC380V后,電機不動,內部控制電路板可以工作。當給其輸入4—20mA電流時,做相應動作。4mA時關閉,20mA時打開。而且有4—20mA模擬量反饋信號,以反應它的閥門開度大小。

電動蝶閥由電動執行器和蝶閥組成,電動執行器為90度旋轉,有開關和調節式兩種控制方式,通過電動執行器旋轉帶動蝶閥的開啟與關閉。具備手動操作功能,在斷電時通過手動操作來開關蝶閥。

常見的電動蝶閥接線圖:

電動蝶閥接線圖

如下:開關型帶有源燈指示電動蝶閥接線圖,共有5根接線,1,2,3是控制部分,1,4,5是反饋部分。

電動開關蝶閥接線圖

開關型帶無源觸點型反饋電動蝶閥接線圖,1,2,3是控制部分接線,4,5,6為無源觸點反饋。

開關型帶無源觸點型反饋電動蝶閥接線圖

開關型帶開度信號反饋電動蝶閥接線圖。1,2,3為控制接線部分,4,5,6為反饋部分,輸出0-5K的電阻值,可以選定。

AC380V三相電源電動蝶閥接線圖:

image.png


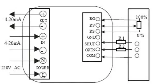
智能調節式電動蝶閥接線圖,輸入輸出4-20mA:

智能調節式電動蝶閥接線圖


標簽: 電動蝶閥
021-80370923
18701880159
在線客服
加微信聊
返回頂部

添加微信,享下單優惠!

18701880159 18701880159

(長按復制微信號,添加好友)

電話咨詢 微信咨詢